永利yl23411集团有限公司就北二环二期(公铁大桥合建段立交互通工程)EPC总承包项目桥梁、箱涵主体劳务分包工程进行招标,拟采用公开招标的方式选择分包方。本招标邀请对各潜在投标人发布,符合要求的潜在投标人应当在本资格预审公告规定的时间内将资格预审文件提交永利yl23411集团有限公司进行资格预审。资格预审合格的潜在投标人,应当于本公告规定的时间或永利yl23411集团有限公司通知的时间内至指定地点领取标书。
一、项目概况与招标范围
1、项目名称:北二环二期(公铁大桥合建段立交互通工程)EPC总承包项目桥梁、箱涵主体劳务分包工程;
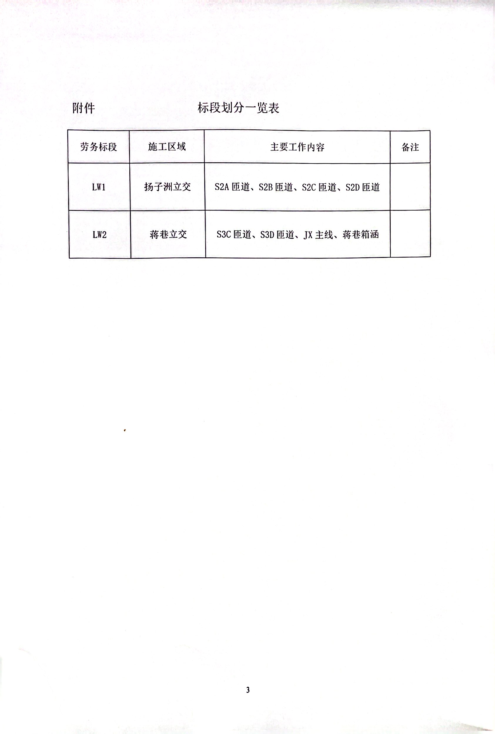
2、招标范围:北二环二期(公铁大桥合建段立交互通工程)项目—扬子洲立交、蒋巷立交范围内的桥涵主体劳务施工;
3、标段划分:本次招标分为二个标段招标,通过资格预审的投标人可参与二个标段的投标,但一个投标人只能中一个标段。同一投标人可以参加2个标段投标,每个标段必须按招标文件要求编制独立投标文件;
4、招标内容:工作内容主要包括凿桩头,桩基钢筋笼制作及运输,承台、墩台、支座、箱梁、防撞护栏钢筋的制安及场内运输,预应力钢绞线制安、张拉、锚固、管道压浆,承台、墩台、支座、箱梁混凝土浇筑,支座安装,支架安拆、预压,桥面排水安装等全部工作内容;
5、工程地点: 南昌市南昌县蒋巷镇、东湖区扬子洲镇
二、投标人资格要求
1、投标人应是在中国境内注册成立的具有独立法人资格的建筑施工企业,能独立承担民事责任,投标人应具备工商行政主管部门核发的企业法人营业执照(三证合一),投标人须具有安全生产许可证且在有效期内;
2、投标人应具备建设行政主管部门核发的资质证书,本次招标要求的资质施工劳务资质;
3、具有良好的商业信誉(无不良履约记录)和良好的财务状况;
4、具有履行合同所必需的设备、人员和专业技术能力;
5、近三年内,在经营活动中没有重大违法记录(须提供书面声明);
6、近 3 年内(2020年-2022年)有同类工程项目业绩(合同金额不低于1000万元以上)不少于1 项;
7、近 3 年内(2020年-2022年)有较好的生产安全记录,近 1年未发生一般及以上生产安全事故(未如实陈述者,我司有权取消中标资格);
8、不涉及影响本项目履约的正在诉讼、仲裁的案件;
9、本项目不接受联合体投标。投标人的单位负责人为同一人或者存在直接控股、管理关系的不同投标人,为本项目提供整体设计、规范编制或者项目管理、监理、检测等服务的投标人,不得同时参加本项目投标,否则相关投标文件均视为无效;
10、未被列入“信用中国”网站(www.creditchina.gov.cn )“记录失信被执行人、拖欠农民工工资失信联合惩戒对象名单”记录名单;
11、无正受到责令停业的行政处罚或正处于财务被接管、冻结、破产的状态且无存在承接项目因发生重大安全生产事故或重大质量问题遭到行业主管部门处罚的行为。
三、资格审查
本次招标采取“资格预审”,即在投标前对申请人资格进行符合性审查,不符合资格预审文件要求的作淘汰处理,不进入投标阶段。
四、资格预审文件的获取及递交
1、凡有意参加资格预审申请者,请于2023年5月27日至2023年5月31日每日8:30-12:00、14:00-17:30前往南昌市南昌县蒋巷镇蒋巷西大道豫章大桥桥头(永利yl23411集团北二环项目经理部)领取资格预审文件。
2、资格预审文件递交的时间为:2023年6月1日至2023年6月5日每日8:30-12:00、14:00-17:30。递交地点南昌市南昌县蒋巷镇蒋巷西大道豫章大桥桥头(永利yl23411集团北二环项目经理部),逾期未将资格预审文件递交的,招标人将不予受理。
3、资格预审审核:经评审后,招标人于2023年6月6日联系通过资格预审的投标人领取招标文件,未通过资格预审的投标人将无法参与投标。
五、发布公告的媒介
本次资格预审公告同时在永利yl23411集团有限公司官网上发布。
六、联系方式
招标人:永利yl23411集团有限公司;联系人: 邹工
联系电话: 15679119096
永利yl23411集团有限公司(盖章)
2023年5月26日

联系电话
0791-83980008
地址:南昌市新建区湾里局竹山路736号永利yl23411广场
邮编:330004
赣公网安备36010502000110号